金年会·(中国)_金年会
金年会
/>
/>
现代厨房
产品中心
油烟机
燃气灶
燃气热水器
净水器
集成灶
消毒柜
蒸烤箱
洗碗机
集成水槽洗碗机
招商加盟
品牌
服务
资讯
工程大客户
class="header-c2">
MENU
获取更多产品
CXW-260-5Q30
28m³/min大吸力
1200pa最大静压
六面负压强拢烟
CXW-260-8Q80
31m³/min大吸力
1650pa大风压
温感智控黑科技
CXW-260-3Q86-Z8P
31m³/min大吸力
1550pa大风压
静吸降噪模式
CXW-260-7Q86-P8P
28m³/min吸力大
1300Pa排烟强
主动跟随双腔拢烟翼
获取更多产品
JZ(Y/T)-6T65B
聚焰猛火科技
5.2kW迅猛大火力
8段控火
JZ(Y/T)-6Q63B
5.2KW大火力
65%超一级能效
自适应底盘
JZ(Y/T)-667B
智控生活随心丨烹饪状态实时监控丨安全防护生活无忧
JZ(Y/T)-660B
八段控火
0秒点火
4.6kW大火力
厨后易清洁
获取更多产品
JSQ25-537R-13
全铜水箱
一键增容14L
4分段微火苗精控恒温
JSQ30-535R-16
智感温控
五重安全巡防
直流变频电机
JSQ27-533R-14
直流变频 丨 低音运行 丨健康净浴
JSQ23-532R-12
智能变频
一键增容
五重巡航
获取更多产品
PRU600-027J
泉净芯净水科技
600G大通量双出水
4年长效RO滤芯
PRU600-067J
双膜洗饮不串水丨3倍速净芯长效丨检视水质不弯腰
Y-SR-20-07G
三秒速热
六档调温
台挂两用
PRC80-033J
省心
快捷
省钱
获取更多产品
JJZ(Y/T)-9T61FX
「零』距离贴墙
1000Pa大静压
125L全腔一体消毒
JJZ(Y/T)-9T61FT
「零』距离贴墙
1000Pa大静压
5.0kW大火力
JJZT-9T63FX
28m³/min大吸力
5.2KW猛火
125L全腔消毒柜
JJZ(Y/T)-939FT
1100Pa大风压
5.2kW大火力
78L蒸烤炸箱
获取更多产品
ZTD105B-510
超大容积
智能预约
童锁设计
ZTD105B-505
超大容积
循环消毒
智能预约
ZTD90B-503
获取更多产品
ZKQS-40-208T
11种蒸烤模式
40L大容量
4+1多维烤管
获取更多产品
088W
15套大容量
热风烘干
120h储存
083W
装的多
72℃高温洗
99.99%杀菌
获取更多产品
JW-W153D
26000Pa丨72℃杀菌丨1级干燥丨10套容量丨52L双槽丨52L储物
JW-W183D
集成水路
一体台面
真10套
JO-C151D
304不锈钢
橱柜无缝一体
空间增容16%
产品详情
技术参数
安装示意
视频
新品
5.2KW大火力|63%超一级能效|自适应底盘
JZ(Y/T)-6Q05B
聚焰猛火灶,爆炒好味道
¥2099
产品详情
5.2KW大火力,双荷花火,劲爆炒
大火力快抄速烹,直喷锅底迅速加热,受热均匀,爆炒鲜香,快熟不夹生,猛火爆炒更带劲
精锻铜火盖,耐高温防锈不易变形
火盖和炉头均选精工材质,长期高温使用不易变形,抗腐蚀寿命更长
可调节底盘免改孔,旧灶焕新自由装
自适应可调节底盘升级,灵活适用于绝大多数开孔尺寸,无论是新房安装,旧房换灶都能轻松搞定
国标一级能效,省时省气更省钱
63%热效率,高于国家一级能效,烧水煮菜耗时更短,节能更省气,不必担心耗电废气
尺寸参数
热负荷(左)
T:5.2kW;Y:5.2kW
热负荷(右)
T:5.2kW;Y:5.2kW
热效率
T:63%;Y:63%
能效
一级
外形尺寸(长*宽*高 mm)
720x400x163
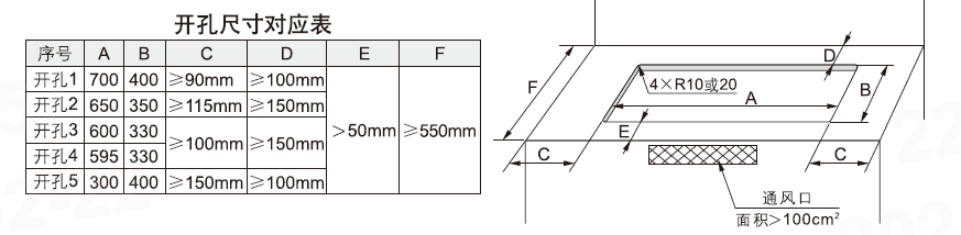
挖孔尺寸(长*宽mm)
600×330×R20
安装图解
/>
JZ(Y/T)-6Q67B
JZ(Y/T)-6Q06B
JZ(Y/T)-6Q66B
JZ(Y/T)-6T65B
JZ(Y/T)-6Q63B
JZ(Y/T)-6Q10B
JZ(Y/T)-6Q05B
JZ(Y/T)-667B
JZ(Y/T/R)-607B
JZ(Y/T)-665B
JZ(Y/T)-660B
JZ(Y/T/R)-689B
JZ(Y/T/R)-680B
JZD(Y/T/R)-669B
JZ(Y/T/R)-666B
JZ(Y/T/R)-663B
JZ(Y/T/R)-627B
JZ(Y/T/R)-626B
JZ(Y/T/R)-623B
JZ(Y/T/R)-610B
金年会